ตามเรามา:

สินค้า
63A สวิตช์ลูกเบี้ยวแบบรวมกุญแจ
  • 63A สวิตช์ลูกเบี้ยวแบบรวมกุญแจ63A สวิตช์ลูกเบี้ยวแบบรวมกุญแจ

63A สวิตช์ลูกเบี้ยวแบบรวมกุญแจ

ด้วยประสบการณ์ในอุตสาหกรรมกว่า 30 ปี YAMING (Zhejiang Yaming Electric) ได้พัฒนาสวิตช์ลูกเบี้ยวแบบรวมกุญแจ 63A (ซีรีส์ HZ5) โดยใช้ประโยชน์จากความสามารถทางเทคนิคที่แข็งแกร่งและการควบคุมคุณภาพที่เข้มงวด ผลิตภัณฑ์นี้ใช้เทคโนโลยีขั้นสูง โดยมีกระแสไฟพิกัด 63A แรงดันไฟฟ้าสูงสุด 380V AC/240V DC และเข้ากันได้กับระบบ AC 50Hz ช่วยให้สามารถสลับวงจร มอเตอร์ขับเคลื่อน การควบคุมความเร็ว และฟังก์ชันอื่นๆ พร้อมหมายเลขขั้วและการตั้งค่าความเร็วที่ปรับแต่งได้ ในฐานะผู้ผลิตมืออาชีพที่มีต้นกำเนิดมาจากประเทศจีน YAMING ได้กลายเป็นซัพพลายเออร์สวิตช์ไฟฟ้าที่ได้รับความไว้วางใจระดับโลก ด้วยระบบโรงงานที่ครบวงจรและการประกันคุณภาพ

สวิตช์ลูกเบี้ยวแบบรวมกุญแจของ YAMING 63A ถือเป็นสุดยอดเทคโนโลยีและประสบการณ์ของแบรนด์ พร้อมด้วยพารามิเตอร์ที่แม่นยำ ฟังก์ชันที่ครอบคลุม และคุณภาพที่เชื่อถือได้ ในฐานะผู้ผลิตและซัพพลายเออร์ที่มีรากฐานในประเทศจีน YAMING ใช้ประโยชน์จากข้อได้เปรียบของโรงงานและบริการที่ครอบคลุมเพื่อจัดหาสวิตช์ไฟฟ้าประสิทธิภาพสูงและคุ้มต้นทุนให้แก่ลูกค้าทั่วโลก ทำให้ YAMING เป็นพันธมิตรที่ต้องการสำหรับการควบคุมทางอุตสาหกรรม


ด้วยประสบการณ์กว่า 30 ปีในอุตสาหกรรมสวิตช์ไฟฟ้า YAMING เป็นผู้ให้บริการโซลูชันที่เชื่อถือได้ สร้างภาพลักษณ์ที่น่าเชื่อถือผ่านความเชี่ยวชาญเชิงลึกและการควบคุมคุณภาพที่เข้มงวด ในฐานะผู้ผลิตที่มีประสบการณ์ซึ่งมีรากฐานในประเทศจีน โรงงานเฉพาะของตนมีอุปกรณ์ที่ทันสมัยและปฏิบัติตามมาตรฐานอุตสาหกรรมตลอดทั้งกระบวนการ โดยมอบสวิตช์ลูกเบี้ยวแบบรวมกุญแจ 63A ที่เชื่อถือได้ให้กับลูกค้าทั่วโลก ซึ่งเป็นซัพพลายเออร์ที่น่าเชื่อถือ


พารามิเตอร์หลักผลิตภัณฑ์


สวิตช์ลูกเบี้ยวโรตารีแบบกุญแจล็อค YAMING 63A (ซีรีส์ HZ5) มีพารามิเตอร์หลักที่แม่นยำ ปรับให้เข้ากับสถานการณ์ทางอุตสาหกรรมที่ซับซ้อนได้ และประสิทธิภาพระดับมืออาชีพที่โดดเด่น:


- ระบบที่เข้ากันได้: ออกแบบมาโดยเฉพาะสำหรับระบบ AC 50Hz ซึ่งเข้ากันได้กับสถานการณ์ DC ซึ่งให้ความคล่องตัวสูง


- ข้อมูลจำเพาะที่ได้รับการจัดอันดับ: กระแสไฟที่ได้รับการจัดอันดับ 63A, แรงดันไฟฟ้าสูงสุด 380V AC/240V DC, ความสามารถในการรับน้ำหนักที่แข็งแกร่ง;


- คุณสมบัติหลัก: การออกแบบกุญแจล็อคผสมผสานความสะดวกสบายและความปลอดภัย ทำให้มั่นใจได้ถึงความเสถียรสูงและการทำงานที่ปราศจากปัญหาในระยะยาว


ข้อได้เปรียบด้านการทำงานของผลิตภัณฑ์


ด้วยประสบการณ์ในอุตสาหกรรม สวิตช์ลูกเบี้ยวแบบรวมกุญแจ 63A นำเสนอฟังก์ชันการทำงานที่ยืดหยุ่นและความสามารถในการปรับให้เข้ากับสถานการณ์ต่างๆ โดยมีข้อดีดังต่อไปนี้:


1. ความสามารถในการปรับเปลี่ยนได้หลายสถานการณ์: ช่วยให้สามารถสลับวงจรด้วยตนเอง ขับเคลื่อนมอเตอร์ AC ขนาดเล็กโดยตรง เหมาะสำหรับสถานการณ์ทางอุตสาหกรรม เช่น เครื่องมือกลและสถานีปั๊ม


2. การปรับความเร็วที่สะดวก: รองรับการปรับความเร็วมอเตอร์ ไม่จำเป็นต้องใช้อุปกรณ์เพิ่มเติม ลดความซับซ้อนของเค้าโครงและลดต้นทุน


3. บริการปรับแต่ง: สามารถปรับแต่งการนับเสาและความเร็วให้ตรงกับความต้องการของวงจรได้อย่างแม่นยำ


4. ความทนทาน: ใช้เทคโนโลยีขั้นสูงและการควบคุมคุณภาพจากโรงงาน YAMING ปรับให้เข้ากับสภาพแวดล้อมทางอุตสาหกรรมที่ซับซ้อนได้


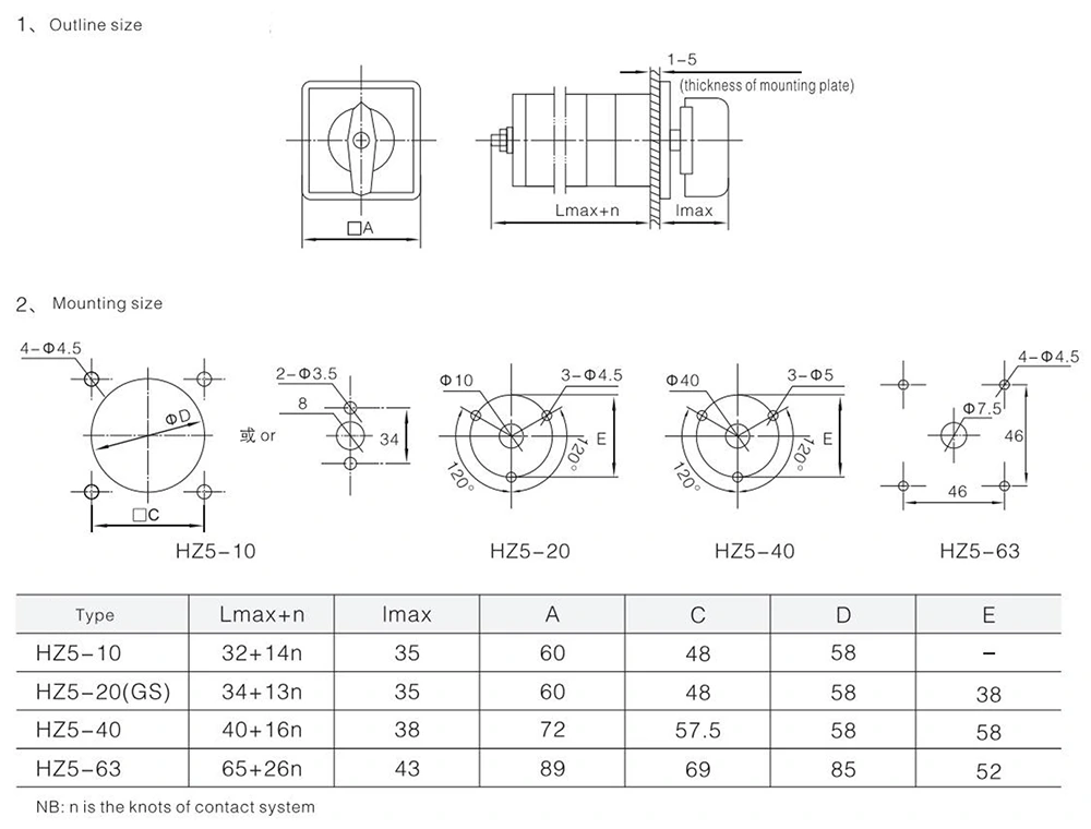
ขนาดโครงร่างผลิตภัณฑ์ ขนาดการติดตั้ง



การประกันคุณภาพและข้อดีด้านการจัดหา


ในฐานะผู้ผลิตที่มีความรับผิดชอบ YAMING ปฏิบัติตามมาตรฐานสากลอย่างเคร่งครัด และผลิตภัณฑ์ของบริษัทผ่านการทดสอบหลายรอบเพื่อให้มั่นใจในคุณภาพที่เชื่อถือได้ ในฐานะซัพพลายเออร์มืออาชีพที่มีต้นกำเนิดมาจากประเทศจีน โดยใช้ประโยชน์จากข้อได้เปรียบของโรงงานของตนเอง มีห่วงโซ่อุปทานที่สมบูรณ์และมีความสามารถในการจัดส่งที่มีประสิทธิภาพ โดยให้บริการหลังการขายอย่างมืออาชีพ



แท็กยอดนิยม: 63A สวิตช์ลูกเบี้ยวแบบรวมกุญแจล็อคจีนผู้ผลิตผู้จำหน่ายโรงงาน
ส่งคำถาม
ข้อมูลติดต่อ
  • ที่อยู่

    No.8 Yaming Road, เขตอุตสาหกรรม Xiangyang, เมือง Yueqing, จังหวัดเจ้อเจียง, จีน

  • โทร

    +86-13968778552

  • อีเมล

    petzane@cnym.cn

หากคุณมีคำถามใดๆ เกี่ยวกับการเสนอราคาหรือความร่วมมือ โปรดส่งอีเมลหรือใช้แบบฟอร์มสอบถามต่อไปนี้ ตัวแทนฝ่ายขายของเราจะติดต่อคุณภายใน 24 ชั่วโมง
X
เราใช้คุกกี้เพื่อมอบประสบการณ์การท่องเว็บที่ดีขึ้น วิเคราะห์การเข้าชมไซต์ และปรับแต่งเนื้อหาในแบบของคุณ การใช้ไซต์นี้แสดงว่าคุณยอมรับการใช้คุกกี้ของเรา นโยบายความเป็นส่วนตัว
ปฏิเสธ ยอมรับ