ตามเรามา:

สินค้า
สวิตช์ลูกเบี้ยวแบบรวม 20A 4kw
  • สวิตช์ลูกเบี้ยวแบบรวม 20A 4kwสวิตช์ลูกเบี้ยวแบบรวม 20A 4kw

สวิตช์ลูกเบี้ยวแบบรวม 20A 4kw

Yaming ซึ่งมีประสบการณ์ในอุตสาหกรรมมากกว่า 30 ปี เปิดตัวสวิตช์ลูกเบี้ยวโรตารีแบบผสมผสาน 20A ขนาด 4kW ซึ่งมอบโซลูชันการควบคุมที่เสถียร มีประสิทธิภาพ และปรับแต่งได้สำหรับวงจรต่างๆ ในฐานะผู้ผลิตมืออาชีพที่มีรากฐานในประเทศจีน เราพึ่งพาความสามารถทางเทคนิคที่แข็งแกร่งและระบบการจัดการคุณภาพที่เข้มงวด เริ่มต้นจากโรงงานผลิตขั้นสูงของเรา เพื่อจัดหาผลิตภัณฑ์สวิตช์ที่เชื่อถือได้ให้กับลูกค้าอุตสาหกรรมทั่วโลก และกลายเป็นซัพพลายเออร์ที่เชื่อถือได้

Zhejiang Yaming Electric มีประสบการณ์วิชาชีพในอุตสาหกรรมไฟฟ้ามากกว่า 30 ปี ด้วยความสามารถด้านเทคนิคที่แข็งแกร่งและระบบการจัดการคุณภาพที่เข้มงวด ทำให้บริษัทกลายเป็นซัพพลายเออร์สวิตช์ไฟฟ้าชั้นนำที่เชื่อถือได้และน่าเชื่อถือ รากฐานองค์กรที่แข็งแกร่งของเราช่วยให้พันธมิตรทั่วโลกได้รับประสิทธิภาพผลิตภัณฑ์ที่มั่นคงและการรับประกันอุปทานที่เชื่อถือได้


Yaming ภูมิใจนำเสนอสวิตช์ลูกเบี้ยวแบบผสมผสาน 20A 4kW ด้วยการผสานรวมกระบวนการผลิตที่ซับซ้อนและเทคโนโลยีขั้นสูง ผลิตภัณฑ์ที่ได้รับการออกแบบอย่างพิถีพิถันนี้ผสมผสานความทนทานและความยืดหยุ่นในการปฏิบัติงานเข้าด้วยกัน มอบโซลูชันการควบคุมที่เสถียร มีประสิทธิภาพ และปรับแต่งได้สำหรับการใช้งานวงจรต่างๆ


ข้อมูลจำเพาะทางเทคนิค


สวิตช์ลูกเบี้ยวแบบรวม 20A 4kW เป็นของสวิตช์แบบรวมซีรีส์ HZ5 ข้อกำหนดทางเทคนิคหลักมีดังนี้: วงจรที่ใช้งานได้คือ AC 50Hz; แรงดันไฟฟ้าที่ใช้งานได้: AC สูงสุด 380V, DC สูงสุด 240V; จัดอันดับปัจจุบัน: สูงสุด 63A; กำลังไฟพิกัด: 4kW; พิกัดกระแสสำหรับรุ่นนี้คือ 20A


การใช้งานหลัก


สวิตช์ลูกเบี้ยวโรตารีแบบรวม 20A 4kW เหมาะสำหรับการสลับและควบคุมวงจรแบบแมนนวลไม่บ่อยนัก การใช้งานทั่วไป ได้แก่ การควบคุมโดยตรงของมอเตอร์ AC ความจุขนาดเล็ก ใช้เป็นอุปกรณ์ควบคุมหลักและการวัดวงจร การควบคุมความเร็วมอเตอร์ และการสลับและการแปลงวงจรทั่วไปในอุปกรณ์ไฟฟ้าต่างๆ


คุณสมบัติผลิตภัณฑ์


สวิตช์ลูกเบี้ยวโรตารีแบบรวม 20A 4kW นำเสนอประสิทธิภาพที่มั่นคงและการใช้งานที่หลากหลาย เหมาะสำหรับสถานการณ์ทางอุตสาหกรรมและเชิงพาณิชย์ต่างๆ เข้ากันได้กับมาตรฐานแรงดันไฟฟ้าและกระแสที่เป็นที่ยอมรับทั่วโลก อำนวยความสะดวกในการใช้งานทั่วโลก รองรับการเชื่อมต่อและตัดการเชื่อมต่อวงจรด้วยตนเองและไม่บ่อยนัก ช่วยให้สามารถควบคุมมอเตอร์ AC ความจุขนาดเล็กได้โดยตรงและการควบคุมแบบมัลติฟังก์ชั่น นอกจากนี้ยังมีบริการปรับแต่งต่างๆ ด้วยช่วงของสวิตช์และหมายเลขขั้วที่ปรับแต่งอย่างเต็มที่เพื่อตอบสนองความต้องการของลูกค้าโดยเฉพาะ


การประยุกต์ใช้ผลิตภัณฑ์



พารามิเตอร์ทางเทคนิค



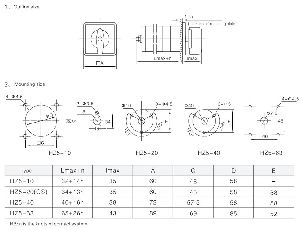
ขนาดโครงร่างผลิตภัณฑ์ ขนาดการติดตั้ง


แท็กยอดนิยม: สวิตช์ลูกเบี้ยวแบบรวม 20A 4kw จีน ผู้ผลิต ผู้จำหน่าย โรงงาน
ส่งคำถาม
ข้อมูลติดต่อ
  • ที่อยู่

    No.8 Yaming Road, เขตอุตสาหกรรม Xiangyang, เมือง Yueqing, จังหวัดเจ้อเจียง, จีน

  • โทร

    +86-13968778552

  • อีเมล

    petzane@cnym.cn

หากคุณมีคำถามใดๆ เกี่ยวกับการเสนอราคาหรือความร่วมมือ โปรดส่งอีเมลหรือใช้แบบฟอร์มสอบถามต่อไปนี้ ตัวแทนฝ่ายขายของเราจะติดต่อคุณภายใน 24 ชั่วโมง
X
เราใช้คุกกี้เพื่อมอบประสบการณ์การท่องเว็บที่ดีขึ้น วิเคราะห์การเข้าชมไซต์ และปรับแต่งเนื้อหาในแบบของคุณ การใช้ไซต์นี้แสดงว่าคุณยอมรับการใช้คุกกี้ของเรา นโยบายความเป็นส่วนตัว
ปฏิเสธ ยอมรับ