ตามเรามา:

สินค้า
20A สวิตช์ลูกเบี้ยวแบบรวมกุญแจ 4kw
  • 20A สวิตช์ลูกเบี้ยวแบบรวมกุญแจ 4kw20A สวิตช์ลูกเบี้ยวแบบรวมกุญแจ 4kw

20A สวิตช์ลูกเบี้ยวแบบรวมกุญแจ 4kw

ด้วยประสบการณ์ในอุตสาหกรรมกว่า 30 ปี Yaming ขอแนะนำสวิตช์ลูกเบี้ยวแบบรวมกุญแจ 20A ขนาด 4kW ซึ่งเป็นโซลูชันควบคุมที่ปลอดภัย เสถียร และปรับแต่งได้สำหรับวงจรไฟฟ้ากระแสสลับ 50Hz ออกแบบมาเพื่อการสลับวงจรด้วยตนเองที่เชื่อถือได้ การควบคุมมอเตอร์ และการวัด ผลิตภัณฑ์นี้รวมกระบวนการผลิตที่แข็งแกร่ง การควบคุมคุณภาพที่เข้มงวด และคุณลักษณะด้านความปลอดภัยแบบล็อคได้ เพื่อตอบสนองความต้องการทางไฟฟ้าทางอุตสาหกรรมทั่วโลก ในฐานะผู้ผลิตมืออาชีพที่มีรากฐานในประเทศจีน เรานำเสนอประสิทธิภาพของผลิตภัณฑ์ที่มั่นคงและบริการปรับแต่งที่ยืดหยุ่นเพื่อตอบสนองความต้องการการใช้งานที่หลากหลาย

Zhejiang Yaming Electric ซึ่งมีประสบการณ์ในอุตสาหกรรมระดับมืออาชีพมากกว่า 30 ปี เป็นผู้ผลิตสวิตช์ไฟฟ้าชั้นนำที่ได้รับความไว้วางใจ ด้วยความสามารถด้านเทคนิคที่แข็งแกร่งและระบบการจัดการคุณภาพที่เข้มงวด เราดำเนินธุรกิจโรงงานที่ทันสมัยพร้อมกระบวนการที่แม่นยำและเทคโนโลยีล้ำสมัย เพื่อให้มั่นใจว่าผลิตภัณฑ์ทุกชิ้นตรงตามมาตรฐานสากล


เราภูมิใจที่จะแนะนำสวิตช์ลูกเบี้ยวแบบรวมกุญแจ Yaming 20A ขนาด 4kW ซึ่งเป็นส่วนประกอบประสิทธิภาพสูงในซีรีส์ HZ5 สวิตช์นี้ให้การควบคุมที่เสถียร มีประสิทธิภาพ และปรับแต่งได้สำหรับการใช้งานวงจรไฟฟ้าต่างๆ โดยผสานรวมฟังก์ชันแบบล็อคได้เพื่อเพิ่มความปลอดภัยในการปฏิบัติงาน


พารามิเตอร์ทางเทคนิค


1. ซีรี่ส์: สวิตช์รวมซีรีย์ HZ5

2. สถานการณ์ที่เกี่ยวข้อง: วงจร AC 50Hz

3. แรงดันไฟฟ้าที่ใช้งานได้: สูงสุด 380V AC, 240V DC

4. กระแสไฟฟ้าที่ได้รับการจัดอันดับ: สูงถึง 63A (รุ่นนี้: 20A, 4kW)

5. การใช้งาน: การสลับวงจรการควบคุมและการแปลงด้วยตนเองไม่บ่อยนัก


ฟังก์ชั่นหลัก


1. การควบคุมโดยตรงของมอเตอร์ AC ความจุขนาดเล็ก

2. สวิตช์ลูกเบี้ยวโรตารีแบบรวมกุญแจ 20A 4kw สามารถใช้เป็นอุปกรณ์ควบคุมหลักและอุปกรณ์วัดวงจร

3. รองรับการควบคุมความเร็วมอเตอร์และการแปลงวงจร

4. มีฟังก์ชันความปลอดภัยแบบล็อคได้ ช่วยให้เปิด/ปิดได้อย่างปลอดภัยและไม่บ่อยนัก


คุณสมบัติผลิตภัณฑ์


1. สวิตช์ลูกเบี้ยวแบบรวมกุญแจ 20A 4kw เหมาะสำหรับวงจรไฟฟ้ากระแสสลับ 50Hz รองรับกระแสไฟสูงสุด 380V AC / 240V DC โดยมีกระแสไฟสูงสุด 63A

2. ช่วยให้สามารถเชื่อมต่อวงจรด้วยตนเองไม่บ่อยนักและตัดการเชื่อมต่อสำหรับแอปพลิเคชันควบคุม

3. สามารถขับเคลื่อนมอเตอร์ AC ความจุขนาดเล็กได้โดยตรง พร้อมฟังก์ชันการควบคุมและการวัดหลัก

4. รองรับการปรับแต่งเต็มรูปแบบ: สามารถปรับแต่งจำนวนเสาและช่วงตามข้อกำหนดของลูกค้าได้อย่างสมบูรณ์


การประยุกต์ใช้ผลิตภัณฑ์



พารามิเตอร์ทางเทคนิค



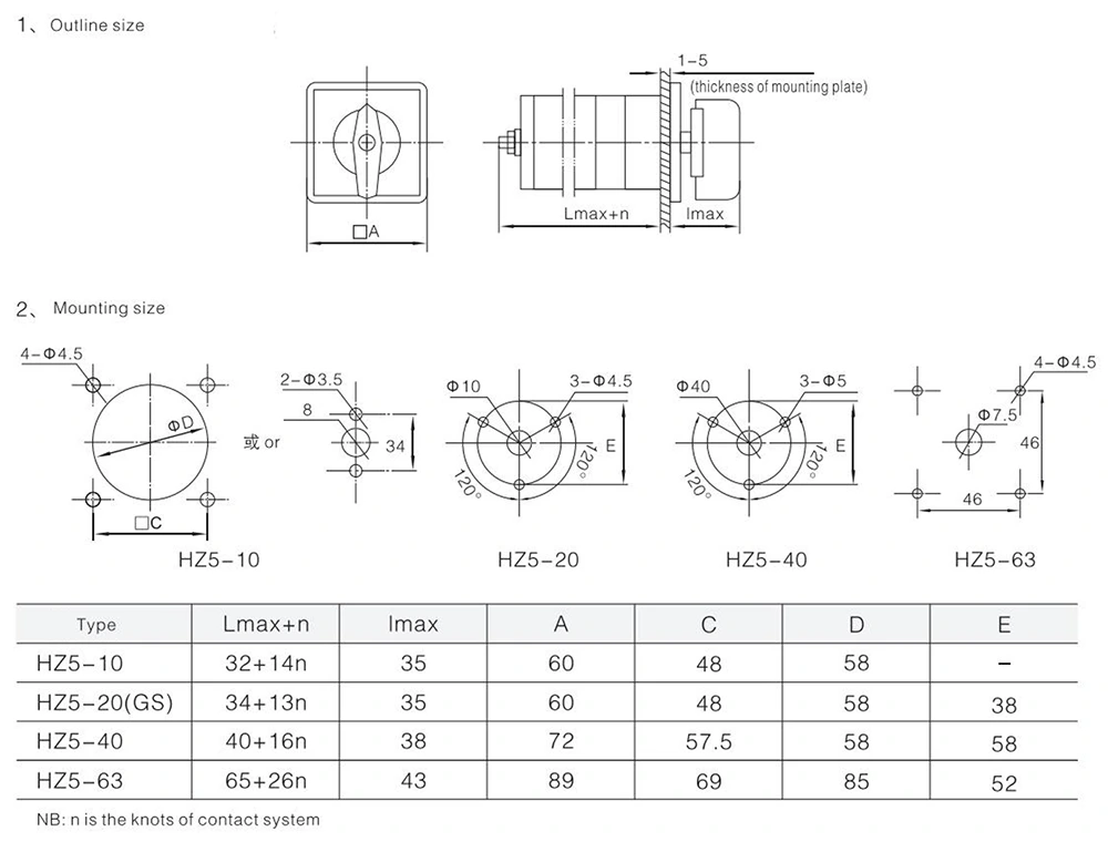
ขนาดโครงร่างผลิตภัณฑ์ ขนาดการติดตั้ง


ทำไมต้องเลือกยาหมิง?


ในฐานะซัพพลายเออร์ระดับโลกที่เชื่อถือได้ Yaming ผสมผสานประสบการณ์ในอุตสาหกรรมมานานหลายทศวรรษ ระบบคุณภาพที่เข้มงวด และความสามารถในการผลิตที่ยืดหยุ่น เพื่อให้ลูกค้าได้รับสวิตช์ลูกเบี้ยวโรตารีที่ปลอดภัย ทนทาน และเฉพาะการใช้งานโดยเฉพาะ สวิตช์ลูกเบี้ยวโรตารีแบบรวมกุญแจ 20A ของเรามีขนาด 4kW โดดเด่นด้วยความเสถียร ความปลอดภัย ความสามารถรอบด้าน และความสามารถในการปรับแต่งเอง ทำให้เหมาะสำหรับการควบคุมทางอุตสาหกรรมและการจ่ายพลังงาน



แท็กยอดนิยม: 20A กุญแจล็อคสวิตช์ลูกเบี้ยวแบบรวม 4kw ประเทศจีน ผู้ผลิต ผู้จัดจำหน่าย โรงงาน
ส่งคำถาม
ข้อมูลติดต่อ
  • ที่อยู่

    No.8 Yaming Road, เขตอุตสาหกรรม Xiangyang, เมือง Yueqing, จังหวัดเจ้อเจียง, จีน

  • โทร

    +86-13968778552

  • อีเมล

    petzane@cnym.cn

หากคุณมีคำถามใดๆ เกี่ยวกับการเสนอราคาหรือความร่วมมือ โปรดส่งอีเมลหรือใช้แบบฟอร์มสอบถามต่อไปนี้ ตัวแทนฝ่ายขายของเราจะติดต่อคุณภายใน 24 ชั่วโมง
X
เราใช้คุกกี้เพื่อมอบประสบการณ์การท่องเว็บที่ดีขึ้น วิเคราะห์การเข้าชมไซต์ และปรับแต่งเนื้อหาในแบบของคุณ การใช้ไซต์นี้แสดงว่าคุณยอมรับการใช้คุกกี้ของเรา นโยบายความเป็นส่วนตัว
ปฏิเสธ ยอมรับ