ตามเรามา:

สินค้า
32A สวิตช์โรตารีควบคุมไปข้างหน้าและย้อนกลับ
  • 32A สวิตช์โรตารีควบคุมไปข้างหน้าและย้อนกลับ32A สวิตช์โรตารีควบคุมไปข้างหน้าและย้อนกลับ
  • 32A สวิตช์โรตารีควบคุมไปข้างหน้าและย้อนกลับ32A สวิตช์โรตารีควบคุมไปข้างหน้าและย้อนกลับ
  • 32A สวิตช์โรตารีควบคุมไปข้างหน้าและย้อนกลับ32A สวิตช์โรตารีควบคุมไปข้างหน้าและย้อนกลับ

32A สวิตช์โรตารีควบคุมไปข้างหน้าและย้อนกลับ

ในฐานะผู้ผลิตสวิตช์ไฟฟ้ามืออาชีพที่มีประสบการณ์มากกว่า 30 ปี YAMING เปิดตัวสวิตช์โรตารีควบคุมเดินหน้าและถอยหลัง 32A (รุ่นภายใน: YMW26-32 5.5N/3) ซึ่งเป็นโซลูชันควบคุมวงจรประสิทธิภาพสูงที่สร้างสรรค์ด้วยงานฝีมืออันประณีตและเทคโนโลยีล้ำสมัย สวิตช์หมุน 3 ตำแหน่งนี้ใช้ได้กับวงจร AC 50HZ/≤690V และ DC ≤240V รองรับการแปลงวงจรแบบไม่บ่อยด้วยตนเอง การควบคุมมอเตอร์ AC ขนาดเล็กโดยตรง ตลอดจนการควบคุมคำสั่งและการทดสอบวงจร

สวิตช์โรตารีควบคุมไปข้างหน้าและย้อนกลับของ YAMING 32A เป็นสวิตช์เปลี่ยนตำแหน่ง 3 ตำแหน่งที่มีความน่าเชื่อถือสูง ออกแบบมาเป็นพิเศษสำหรับวงจร AC 50HZ/≤690V และ DC ≤240V โดยมีความจุแบริ่งกระแสสูงสุดที่ 32A ฟังก์ชันหลักประกอบด้วยการแปลงวงจรแบบไม่บ่อยด้วยตนเอง การควบคุมมอเตอร์ AC ขนาดเล็กโดยตรง และใช้ได้กับสถานการณ์การควบคุมคำสั่งและการทดสอบวงจร


ในฐานะที่เป็นส่วนประกอบสำคัญในระบบควบคุมไฟฟ้า จึงรับประกันการทำงานที่เสถียรและเชื่อถือได้ของเครื่องใช้ไฟฟ้าต่างๆ ได้อย่างมีประสิทธิภาพ มีขนาดกะทัดรัด การบูรณาการแบบมัลติฟังก์ชั่น โครงสร้างที่แข็งแกร่ง และการทำงานที่เชื่อถือได้ พร้อมความสามารถในการปรับตัวให้เข้ากับสภาพแวดล้อมการทำงานที่หลากหลาย ในฐานะซัพพลายเออร์ที่เชื่อถือได้จากประเทศจีน YAMING นำเสนอตัวเลือกที่ปรับแต่งได้สำหรับสวิตช์นี้ เพื่อตอบสนองความต้องการการใช้งานที่หลากหลาย ทำให้สวิตช์นี้เป็นส่วนประกอบหลักในการควบคุมวงจร อุปกรณ์ทดสอบ และระบบควบคุมมอเตอร์


คุณสมบัติผลิตภัณฑ์หลัก


- โครงสร้างที่กะทัดรัดเพื่อการติดตั้งที่ยืดหยุ่น: สวิตช์ใช้การออกแบบที่กะทัดรัด ซึ่งสามารถจัดวางได้อย่างยืดหยุ่นในพื้นที่การติดตั้งที่จำกัด ซึ่งช่วยเพิ่มอัตราการใช้พื้นที่ภายในของอุปกรณ์ได้อย่างมาก


- การบูรณาการแบบมัลติฟังก์ชั่น: ผสานรวมฟังก์ชันการควบคุมหลายรายการเพื่อตอบสนองความต้องการการควบคุมที่หลากหลายของสถานการณ์การใช้งานที่แตกต่างกัน ทำให้สวิตช์ตัวเดียวใช้งานได้หลายวัตถุประสงค์ และลดความซับซ้อนของการกำหนดค่าระบบ


- ประสิทธิภาพด้านความปลอดภัยที่เหนือกว่า: สวิตช์สร้างขึ้นด้วยโครงสร้างที่แข็งแกร่งและวัสดุคุณภาพสูง มีประสิทธิภาพเป็นฉนวนที่ดีเยี่ยม รับประกันความปลอดภัยทางไฟฟ้าระหว่างการใช้งานอย่างมีประสิทธิภาพ และลดอันตรายด้านความปลอดภัยที่อาจเกิดขึ้น


- การทำงานที่เสถียรและเชื่อถือได้: กลไกแบบหมุนทำงานได้อย่างราบรื่น โดยมีอัตราความล้มเหลวต่ำและความน่าเชื่อถือสูง ซึ่งสามารถรักษาประสิทธิภาพที่มั่นคงแม้ในการใช้งานในระยะยาว


- การออกแบบที่ทันสมัยและใช้งานได้จริง: การออกแบบรูปลักษณ์มีทั้งสไตล์และการใช้งาน ซึ่งสามารถจับคู่สไตล์สุนทรียศาสตร์ของอุปกรณ์ต่าง ๆ ได้ดี และเพิ่มพื้นผิวโดยรวมของอุปกรณ์



การประยุกต์ใช้ผลิตภัณฑ์


สวิตช์โรตารีควบคุมไปข้างหน้าและย้อนกลับของ YAMING 32A มีระบบการจำแนกประเภทที่ครอบคลุม ซึ่งสามารถปรับให้เข้ากับสถานการณ์การใช้งานที่หลากหลาย การใช้งานหลักและรายละเอียดการจำแนกประเภทมีดังนี้:


1.สาขาแอปพลิเคชันหลัก

มีการใช้กันอย่างแพร่หลายในการสลับวงจรหลัก การควบคุมมอเตอร์ AC โดยตรง การควบคุมคำสั่ง และสถานการณ์การวัดวงจร และเป็นส่วนประกอบหลักที่สำคัญในระบบควบคุมวงจร อุปกรณ์ทดสอบ และระบบควบคุมมอเตอร์


2.รายละเอียดการจำแนกประเภท

- โหมดการทำงาน: รวมถึงโหมดการกำหนดตำแหน่ง การรีเซ็ตตัวเอง และโหมดการรีเซ็ตตำแหน่งด้วยตนเอง เพื่อปรับให้เข้ากับความต้องการการทำงานที่แตกต่างกัน


- มุมการแปลง: มุมการแปลง 30 °, 45 °, 60 °, 90 °เสริมเพื่อให้ตรงกับความต้องการการส่งผ่านกลไกที่แตกต่างกัน


- รูปทรงแผง: มีให้เลือกทั้งแบบสี่เหลี่ยมจัตุรัสและสี่เหลี่ยม เหมาะสำหรับอินเทอร์เฟซการติดตั้งอุปกรณ์ต่างๆ


- เลเยอร์ที่ปรับแต่งได้: สวิตช์รองรับการปรับแต่งได้ตั้งแต่ 1 ถึง 12 เลเยอร์ ทำให้สามารถกำหนดค่าส่วนบุคคลตามข้อกำหนดของระบบควบคุมเฉพาะได้


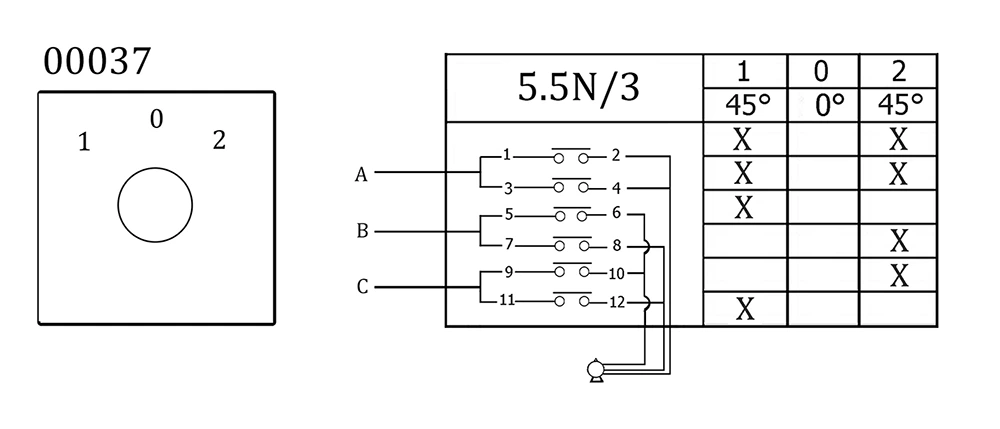
หมายเหตุ: ผลิตภัณฑ์นี้มีแผนภาพการเดินสายไฟโดยละเอียดเพื่อช่วยให้การติดตั้งและใช้งานรวดเร็วและถูกต้อง

และสวิตช์ลูกเบี้ยวหมุน 32A นี้สามารถปรับแต่งได้ (ตั้งแต่ 1 ถึง 12 เลเยอร์):



สภาพการทำงาน


สวิตช์โรตารีควบคุมไปข้างหน้าและย้อนกลับของ YAMING 32A มีความสามารถในการปรับตัวต่อสิ่งแวดล้อมได้ดีเยี่ยม และสามารถทำงานได้อย่างน่าเชื่อถือภายใต้สภาพการทำงานปกติดังต่อไปนี้:


- ช่วงอุณหภูมิ: เหมาะสำหรับใช้ในสภาพแวดล้อมที่มีอุณหภูมิตั้งแต่ -25°C ถึง +50°C โดยมีอุณหภูมิเฉลี่ยไม่เกิน +35°C ภายใน 24 ชั่วโมง


- ระดับความสูงในการติดตั้ง: สามารถติดตั้งที่ระดับความสูง ≤ 4000 ม. ปรับให้เข้ากับข้อกำหนดสภาพแวดล้อมทางภูมิศาสตร์ที่แตกต่างกัน


- ความชื้นสัมพัทธ์: ความชื้นสัมพัทธ์สูงสุดคือ 50% ที่ +50°C และ 90% ที่ +20°C สำหรับการสะสมความชื้นที่เกิดจากการเปลี่ยนแปลงของอุณหภูมิ YAMING นำเสนอโซลูชั่นป้องกันการควบแน่นแบบพิเศษเพื่อให้แน่ใจว่าสวิตช์ทำงานได้อย่างเสถียร


ข้อได้เปรียบของความร่วมมือ


ในฐานะโรงงานมืออาชีพที่มีประสบการณ์มากมาย YAMING ยึดมั่นในแนวคิดเรื่องคุณภาพเป็นอันดับแรก และมอบผลิตภัณฑ์สวิตช์โรตารีควบคุมไปข้างหน้าและย้อนกลับคุณภาพสูง 32A ให้กับลูกค้า ในฐานะซัพพลายเออร์ที่เชื่อถือได้จากประเทศจีน เราไม่เพียงแต่รับประกันประสิทธิภาพและคุณภาพของผลิตภัณฑ์เท่านั้น แต่ยังให้บริการหลังการขายที่รอบคอบและโซลูชันที่ปรับแต่งตามความต้องการ ซึ่งมุ่งมั่นที่จะสร้างมูลค่าที่มากขึ้นให้กับลูกค้าทั่วโลก


พารามิเตอร์ทางเทคนิค

ขนาดโครงร่างผลิตภัณฑ์ ขนาดการติดตั้ง



แท็กยอดนิยม: 32A ผู้ผลิตสวิตช์โรตารีควบคุมไปข้างหน้าและย้อนกลับ จีน ซัพพลายเออร์ โรงงาน
ส่งคำถาม
ข้อมูลติดต่อ
  • ที่อยู่

    No.8 Yaming Road, เขตอุตสาหกรรม Xiangyang, เมือง Yueqing, จังหวัดเจ้อเจียง, จีน

  • โทร

    +86-13968778552

  • อีเมล

    petzane@cnym.cn

หากคุณมีคำถามใดๆ เกี่ยวกับการเสนอราคาหรือความร่วมมือ โปรดส่งอีเมลหรือใช้แบบฟอร์มสอบถามต่อไปนี้ ตัวแทนฝ่ายขายของเราจะติดต่อคุณภายใน 24 ชั่วโมง
X
เราใช้คุกกี้เพื่อมอบประสบการณ์การท่องเว็บที่ดีขึ้น วิเคราะห์การเข้าชมไซต์ และปรับแต่งเนื้อหาในแบบของคุณ การใช้ไซต์นี้แสดงว่าคุณยอมรับการใช้คุกกี้ของเรา นโยบายความเป็นส่วนตัว
ปฏิเสธ ยอมรับ